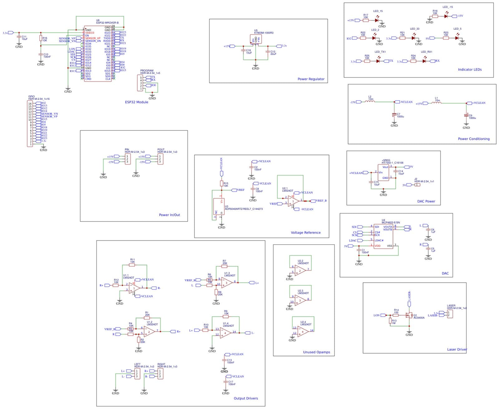
[Idea] UC2 Galvo Laserscanning System

This is the first attempt to integrate a laser scanner into the UC2 system

WhatsApp Video 2024-03-14 at 16.53.11

A very brief update. I managed to get the minimal configuration of lenses for the image scanning microscope.

VID_20240424_190234

I validate the line and frame clocks with the flimlabs card. at 100µs integration time.

The system currently measures a fluorescent signal from paper with textmarker in a confocal arrangement. Next step is to reassign the pixels.